راهنمای عیبیابی و رفع عیب پخش خودرو تندر 90
در این ساعت گروه حفاظت و امنیت برای شما دوستان عزیز راهنمای تصویری کامل عیبیابی و رفع عیب پخش خودرو تندر 90 را تهیه و تدوین نموده است. برای مشاهده این مطالب با ما همراه باشید …
راهنمای تصویری کامل نحوه عیبیابی و رفع عیب پخش خودرو تندر 90
عیبیابی خودکار پخش خودرو تندر 90:
حالت عیبیابی خودکار رادیوهاى مدلهاى قدیمى (6-PN0)، بررسى برخى عملکردهاى اصلى را امکان پذیر مىسازد:
- با فشردن همزمان دکمههاى 2 و 4، تست بلندگوها انجام مىگیرد. بلندگوها یک به یک تغذیه مىشوند، نمایشگر امکان بررسى اتصالات و سیگنالهاى هر بلندگو را امکان پذیر مىسازد.
- با فشردن هم زمان دکمههاى 1 و 6، میزان دریافت امواج را بررسى کنید (پس از نمایش فرکانس):
– 9 یا حرف: دریافت خوب امواج
– پائینتر از 3: دریافت بد امواج
– 2: از دست دادن کامل امواج.
حالت عیبیابى خودکار سیستم صوتى مدل جدید (NR4/5) اجازه مىدهد برخى عملکردهاى اصلى را با ترکیب دکمههاى 6، 1 و i بررسى شود. پیغامها به صورت زیر نمایان مىشود:
- پیش شماره کد رادیو بهصورت یک حرف و 3 رقم نمایان مىشود، تا از باز کردن رادیو جلوگیرى شود.
- تست بلندگوها با پخش دو سیگنال صوتى با صداى بم (Bass) و زیر (Treble) در بلندگوها، همراه با نمایش بلندگوهاى تست شده در نمایشگر (چپ جلو H01، راست جلو H02، راست عقب H03، چپ عقب H04) صورت مىگیرد.
- فرکانسها و سطح حسگرهاى تیونرها را نشان مىدهد.
- نمایش نسخه نرم افزار، نمایش عیبیابی آنتن وصل شده، در صورتى که این آنتن با یک سیم کواکسیال تغذیه شود در این حالت، در صفحه نمایشگر H15 با (2 یا X = 0, 1) بر حسب وضعیت آنتن نمایان مىشود:
0: مدار باز
1: اتصال کوتاه به بدنه
2: مصرف جریان - تست صوتى H08) OFF)، براى انجام تست صوتى همه صداها را قطع مىکند.
نکته: همچنین زمان استفاده از منابع و زمان کل را در 1/6 ساعت نشان مىدهد:
- تیونر (H09)
- سى دى (H10)
- کاست (H11)
- H15) Total)
- H14) MP)
- (H13) auxiliaire
- H12) CD Changer)
عیب یابی سیستم صوتى خودرو (همراه با فلوچارت حل مشکل):
مشکل: روشنائی سیستم با روشن شدن چراغها تغییر نمىکند.
راه حل:
مشکل: قطع موقت صدا «mute» هنگام پخش پیغامهاى «carminate» پردازشگر صدا «synthesizer» و یا کیت دست آزاد یا «hands free» عمل نمىکند.
راه حل:

مشکل: رادیو با قرار گرفتن سوئیچ در حالت «تغذیه تجهیزات» به طور خودکار روشن نمىشود، یا پس از 20 دقیقه خاموش مىشود.
راه حل:

مشکل: رادیو روشن شده، اما نمایشگر و دسته کنترل رادیو کار نمىکنند.
راه حل:
مشکل: دسته کنترل رادیو کار نمىکند.
راه حل:
مشکل: رادیو تقریبا در هر 2 ثانیه سیگنالهاى صوتى پخش مىکند.
راه حل:
مشکل: هنگامى که دکمه «RADIO ON» را فشار مىدهید رادیو کار نمىکند (عدم وجود صدا).
راه حل:
مشکل: ایراد دریافت امواج توسط رادیو
راه حل:
مشکل: حجم صدا بر حسب سرعت خودرو افزایش پیدا نمىکند.
راه حل:
مشکل: کنترل از راه دور مادون قرمز کار نمىکند (PN6).
راه حل:
خارج کردن یک سی دی که درون CD changer سیستم صوتی گیر کرده است.
راه حل اول:
اگر موتور الکتریکى خروج سی دی کار مىکند با کمک یک باتری 4.5 V موتور الکتریکى خارج کننده سی دی (B) که در شکل زیر مشخص شده است را تغذیه کنید و سى دى را خارج کنید (هنگام خارج کردن سی دی سیم + را روى اتصال (1) قرار دهید و سیم – را روى اتصال (2) قرار دهید).
راه حل دوم:
اگر موتور الکتریکى خارج کننده سی دی کار نمىکند، پیچ (C) نشان داده شده در شکل زیر را باز کنید و موتور الکتریکى (B) را آزاد کنید.
چرخ دنده (D) (تصویر زیر) را با دست در جهت عقربههاى ساعت بچرخانید تا سى دى خارج شود.
قبل از نصب مجدد رادیو:
- موتور الکتریکى را دوباره در محل خود قرار داده و با کمک پیچ آن را دوباره نصب کنید (تنها در راه کار دوم).
- جعبه را دوباره ببندید.
خارج کردن یک سی دی که درون CD changer داشبورد خودرو تندر 90 گیر کرده است.
دو پیچ (A) نشان داده شده در شکل زیر را باز کنید.
CD changer را برگردانید. 6 پیچ (B) نشان داده شده در شکل زیر را باز کنید.
CD changer را برگردانید. مطابق شکل زیر درپوش را بلند کنید.

مانند شکل زیر مکانیزم را از قاب آن بیرون بیاورید.
دو پیچ (C) نشان داده شده در شکل زیر را باز کنید.
بازوى هدایت سى دىها را بیرون بیاورید. اتصال (D) که در شکل زیر مشخص شده است را جدا کنید.
هشت پیچ (E) شکل زیر را باز کنید.
دو گیره از هر دو اتصال را مانند تصویر زیر جدا کنید.
هر دو نوار سیمى الکتریکى (ریبون) را مانند تصویر زیر بیرون بیاورید.
قسمت بالایى مکانیزم را مانند شکل زیر بیرون بیاورید.
راهنماها را بپیچانید و براى بالا یا پائین بردن سى دىها مکانیزم را همانند تصویر فشار دهید.
اکنون سى دىها در دسترس هستند.
نکته مهم: پس از بازشدن یک مکانیزم CD changer، هرگز مجددأ آن مکانیزم را نصب نکنید.
خارج کردن یک سی دی که درون CD changer واقع در صندوق عقب گیر کرده است.
اجزاء نشان داده شده در شکلهای زیر را باز کنید:
سه پیچ (1) که در زیر محفظه واقع شده اند.
دو فنر (2) پس از آنکه آنها را بالا آوردید.
چهار ضربه گیر (3) با بست نصب شدهاند.
مدول الکترونیکى را از نگهدارنده آن خارج کنید و کنار قرار دهید.
راه کار اول:
اگر موتورهاى الکتریکى پخش خودرو تندر 90 کار مىکنند:
- مطابق شکل زیر سى دى و کشوى آن را دوباره در قسمت (CD changer (4 وارد کنید براى این کار موتور الکتریکى (3) را با کمک یک باترى 4.5 V تغذیه کنید (سیم + را روى اتصال (1) و سیم – را روى اتصال (2) قرار دهید).
- با حرکت دادن اهرم (CD changer ،(4 را بیرون بیاورید.
راه کار دوم
اگر موتورهاى الکتریکى کار نمىکنند:
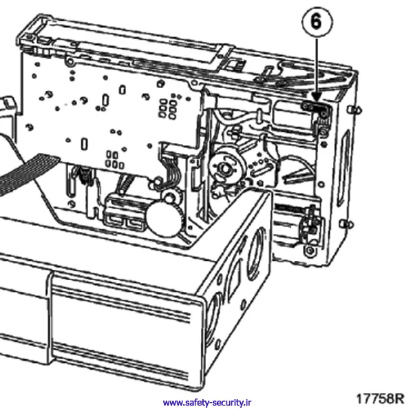
براى وارد کردن مجدد سى دى و کشوى آن در CD changer قسمت (5)، نگهدارنده چرخ دنده (6) را با باز کردن پیچ آن باز کنید.
با دست چرخ دنده (7) را در جهت خلاف عقربههاى ساعت بپیچانید تا کشوى آن در CD changer کاملا به سمت پائین برگردد.
با حرکت دادن اهرم (CD changer ،(8 را بیرون بیاورید.
قبل از نصب مجدد رادیو L90:
- مدول را مجدداً در محفظه خود نصب کنید، چهار ضربه گیر و دو فنر را در محل خود قرار دهید.
- مجدداً مدول را با سه پیچ آن روى محفظه نصب کنید.
- دوباره CD changer را ببندید، درپوش آن را بگذارید، و قسمت عقب را در محل خود قرار دهید.




























2 نظر برای "راهنمای عیبیابی و رفع عیب پخش خودرو تندر 90"
ورود به سایت