Logo

حفاظت و امنیت

بهترین آموزشگاه حفاظتی و امنیتی

راهنمای کامل نصب و راه‌اندازی جک درب پارکینگ یال

راهنمای کامل نصب و راه‌اندازی جک درب پارکینگ یال

در این ساعت گروه حفاظت و امنیت برای شما دوستان عزیز راهنمای تصویری کامل نصب و راه‌اندازی جک درب پارکینگ یال را تهیه و تدوین نموده است. برای مشاهده این مطالب با ما همراه باشید …

راهنمای کامل نصب و راه‌اندازی جک درب پارکینگ یال (yaal)

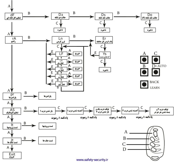
راهنمای برنامه‌ریزی ریموت کنترل برد جک درب پارکینگ:

ریموت جک یال به دور طریق قابل برنامه‌ریزی است.

1- کد دادن سریع ریموت – راهنمای نصب برد جک یال:

  • با نگه داشتن سه ثانیه دکمه learn صفحه نمایش به چرخش در می‌آید.
  • با زدن یکی از دکمه‌های ریموت کد آن به صورت ۴ کانال ذخیره می‌شود.

2- کد دادن ریموت از منو:

  • با دو بار زدن دکمه A وارد منو rA می‌شوید.
  • با زدن دکمه B وارد منوی Ln شوید.
  • با زدن دکمه C گزینه‌های زیر برای کد دادن ریموت قابل انتخاب هستند:
  1. LF: کد دادن ریموت ۴ کانال
  2. LA: باز و بسته کردن درب دو لنگه و ریلی
  3. Lb: باز و بسته کردن درب تک لنگه در حالت دو لنگه
  4. LC: فرمان به رله‌ی پارکینگ

جک درب پارکینگ یال

راهنمای پاک کردن ریموت‌های ست شده در برد جک یال:

جهت پاک کردن همه‌ی کدهای ریموت ابتدا:

  • باید توسط دکمه A وارد منوی rA شوید.
  • سپس با فشردن دکمه B منوی Er را انتخاب کنید.
  • با فشردن دکمه C عبارت YS به معنای «آیا مطمئن هستید.» نمایان می‌گردد.
  • با فشردن مجدد C کلیه‌ی ریموت‌های موجود در سیستم پاک می‌گردد و در حین عملیات سونسگمنت به صورت چرخان در می‌آید.

توجه: ریموت کنترل‌های داخل جعبه برنامه‌ریزی شده‌اند اگر می‌خواهید یک ریموت را برای دو دستگاه مجزا استفاده کنید باید کد ریموت‌ها را پاک کنید و دکمه‌ها را تک تک کد دهید مثلا دکمه اول را در برد LA برنامه‌ریزی کنید و در برد دوم دکمه دوم را با LA برنامه‌ریزی کنید تا با دکمه اول برد اول و با دکمه دوم برد دوم را کنترل کنید.

راهنمای سیم‌بندی برد جک یال:

راهنمای سیم‌بندی و نصب ترمینال‌های برد جک یال:

جک درب پارکینگ یال
راهنمای سیم‌بندی و نصب برد جک درب پارکینگ یال

کانکتورهای دستگاه:

  1. تغذیه ۱۲ ولت چشمی سنسور
  2. تغذیه ۱۲ ولت چشمی سنسور
  3. تحریک چشمی
  4. مشترک
  5. تحریک دستی دو لنگه
  6. تحریک دستی تک لنگه
  7. قفل درب بازکن ۱۲ ولت
  8. قفل درب بازکن ۱۲ ولت
  9. موتور ۲ -لنگه زیری
  10. موتور ۲ -لنگه زیری
  11. موتور ۲ -لنگه زیری
  12. خازن موتور ۲
  13. خازن موتور ۲
  14. خازن موتور ۱
  15. خازن موتور ۱
  16. موتور ۲ – لنگه روئی
  17. موتور ۲ – لنگه روئی
  18. موتور ۲ – لنگه روئی
  19. رله پارکنیگ
  20. رله پارکنیگ
  21. فلاشر ۲۲۰ ولت
  22. فلاشر ۲۲۰ ولت
  23. ورودی برق ۲۲۰ ولت
  24. ورودی برق ۲۲۰ ولت
  25.  آنتن هوائی
  26.  آنتن هوائی

راهنمای فیوزهای برد:

  • F1- فیوز ۶ آمپر
  • F2- فیوز ۳ آمپر
  • F3- فیوز ۳ آمپر

راهنمای دکمه‌های برد جک یال:

  • A- ورود به منوی اصلی
  • B- انتخاب منو / تحریک دستی
  • C- اضافه کردن پارمتر / تحریک اتوماتیک
  • D- کم کردن پارمترها / تنظیم اتوماتیک
  • Back/Learn- حرکت داخل منو سمت بالا / کد دادن

جدول تنظیمات راهنمای برد جک درب پارکینگ یال:

  • سه بار دکمه A را بزنید تا به گزینه Pr برسید.
  • سپس دکمه B را بزنید حال پارمترهای زیر قابل روئیت هستند.
  • می توانید با زدن دکمه B به سمت پائین و با زدن دکمه Back به سمت بالا بروید.
  • برای خروج بدون ذخیره پارامترها دکمه A را بزنید و برای ذخیره پارمترها به گزینه SA بروید و دکمه C را بزنید.
پارامتر توضیحات واحد کمترین مقدار بیشترین مقدار مقدار پیش‌فرض راهنمایی
O1 زمان باز شدن درب ۱ ثانیه 1 60 20
O2 زمان باز شدن درب ۲ ثانیه 1 60 20
C1 زمان بسته شدن درب ۱ ثانیه 1 60 20
C2 زمان بسته شدن درب ۲ ثانیه 1 60 20
B1 زمان آهسته بسته شدن درب ۱ ثانیه 1 20 5
B2 زمان آهسته بسته شدن درب ۲ ثانیه 1 20 5
A1 زمان آهسته باز شدن درب ۱ ثانیه 1 20 5
A2 زمان آهسته باز شدن درب ۲ ثانیه 1 20 5
T1 زمان استارت آهسته باز شدن درب 1 ثانیه 0 5 0
T2 زمان استارت آهسته باز شدن درب 2 ثانیه 0 5 0
D1 زمان استارت آهسته بسته شدن درب 1 ثانیه
0
5 0
D2 زمان استارت آهسته بسته شدن درب 2 ثانیه 0 5 0
Ac بسته شدن خودکار 6* ثانیه 0 20 10 صفر= غیرفعال
Cp بسته شدن خودکار پس از چشم 0 10 10 صفر= غیرفعال
N1 تنظیم دور آهسته درب ۱ 1 4 1 افزایش پارامتر= دور کندتر
N2 تنظیم دور آهسته درب ۲ 1 4 1 افزایش پارامتر= دور کندتر
Sp توقف قبل از دور آهسته فعال/غیرفعال غیرفعال
Pt کسر زمان تک لنگه 0 20 0
Us میکروسوییچ 0 2 0 0= غیرفعال

2= نرمال بسته

1= نرمال باز

Dp تاخیر چشم عابر دهم ثانیه 0 40 6
Od تاخیر در باز شدن فعال/غیرفعال فعال
Cd تاخیر در بسته شدن 0 99 3
Pd درب تک لنگه فعال/غیرفعال غیرفعال
Rs فشار ابتدایی باز شدن فعال/غیرفعال غیرفعال
Np قطع فرمان توقف در باز شدن فعال/غیرفعال فعال
Cs فشار نهایی بسته شدن فعال/غیرفعال غیرفعال
St زمان فشار نهایی بسته شدن ثانیه 1 5 2
Pa زمان رله پارکینگ 6* ثانیه 0 20 0 0= 0.7 ثانیه تحریک
Fl انتخاب فلاشر فعال/غیرفعال فعال فعال= چشمکزن

غیرفعال= ثابت

Sa ذخیره پارامترها

وضعیت اسباب‌کشی راهنمای برد جک یال:

در این حالت وضعیت بسته شدن اتوماتیک در درب اتوماتیک یال موقتا غیرفعال می‌شود، برای این منظور بعد از باز شدن درب‌ها فلاشر به مدت ۵ ثانیه ثابت می‌ماند در همین مدت شما فرصت دارید با زدن دکمه ریموت بسته شدن اتوماتیک را غیرفعال کنید.

بستن اضطراری (هنگام بروز خطا در چشمی)

برای بستن درب هنگامی که سنسور چشمی باز باشد:

  • یکی از دکمه یکی از دکمه‌های ریموت را ۳ ثانیه نگه دارید تا پیغام PH از صفحه نمایش پاک شود.
  • سپس ۳۰ ثانیه فرصت دارید تا با زدن دکمه ریموت درب را ببندید.

بلوک دیاگرام تنظیمات راهنمای برد دستگاه:

  • وضعیت D0: برای درب‌های تک لنگه که به سرعت بیشتری در دور کند نیاز دارند.
  • وضعیت D1: برای درب‌های تک لنگه
  • وضعیت D2: تنظیمات برای دو لنگه

جک درب پارکینگ یال

همچنین برای دسترسی سریع به تنظیمات اتوماتیک می‌توانید دکمه D را چند ثانیه نگه دارید تا تنظیمات اتوماتیک فعال شود.

برنامه ریزی اتوماتیک (تنظیم سریع) راهنمای برد دستگاه جک:

برای راه اندازی اتوماتیک بازوها:

  • ابتدا درب‌ها را در حالت بسته قرار دهید، سپس دکمه D روی مدار فرمان را نگه دارید تا درب اول باز شود.
  • سپس با زدن دکمه اول ریموت یا دکمه C درب آهسته باز می‌شود.
  • سپس با رسیدن درب به انتهای مسیر خود، با زدن دکمه اول ریموت یا دکمه C درب اول متوقف می‌شود و درب دوم باز می‌شود.
  • این عملیات را برای درب دوم نیز تکرار کنید و در انتها درب‌ها به صورت اتوماتیک بسته می‌شود.

مطالب پیشنهادی

آموزش راه‌اندازی سیم‌های قفل مرکزی انواع دزدگیر
آموزش راه‌اندازی سیم‌های قفل مرکزی انواع دزدگیر
معرفی جامع و نحوه کارکرد رله
معرفی جامع و نحوه کارکرد رله
راهنمای کامل نصب دزدگیر اماکن +SILEX GS7
راهنمای کامل نصب دزدگیر اماکن +SILEX GS7
روشنایی هوشمند، چراغ های متفکر
روشنایی هوشمند، چراغ های متفکر
آموزش کامل نحوه تنظیم ftp – image capture در دوربین مداربسته هایک ویژن
آموزش کامل نحوه تنظیم ftp – image capture در دوربین مداربسته هایک ویژن
تنظیمات دستگاه دزدگیر اماکن آنیک A700 و A600 از طریق کیپد
تنظیمات دستگاه دزدگیر اماکن آنیک A700 و A600 از طریق کیپد
راهنمای کامل نصب و سیم‌بندی دزدگیر اماکن آنیک A700
راهنمای کامل نصب و سیم‌بندی دزدگیر اماکن آنیک A700
راهنمای کامل دزدگیر اماکن آنیک مدل A700 و A600
راهنمای کامل دزدگیر اماکن آنیک مدل A700 و A600
کابل شبکه چیست؟
کابل شبکه چیست؟
واژه OSD Menu به چه معناست؟
واژه OSD Menu به چه معناست؟
شناسایی ورود غیرمجاز Intrusion Detection در دوربین مداربسته
شناسایی ورود غیرمجاز Intrusion Detection در دوربین مداربسته
راهنمای کامل تنظیمات دستگاه دزدگیر اماکن آنیک A700 و A600
راهنمای کامل تنظیمات دستگاه دزدگیر اماکن آنیک A700 و A600
تنظیمات برد الکترونیکی جک درب پارکینگ هیدرولیک FAAC مدل 422
تنظیمات برد الکترونیکی جک درب پارکینگ هیدرولیک FAAC مدل 422
هر آنچه درباره جک درب پارکینگ لازم است بدانید.
هر آنچه درباره جک درب پارکینگ لازم است بدانید.
راهنمای کامل نصب و راه‌اندازی جک درب پارکینگ هیدرولیک فک (FAAC) مدل 422
راهنمای کامل نصب و راه‌اندازی جک درب پارکینگ هیدرولیک فک (FAAC) مدل 422
راهنمای تصویری کامل نحوه نصب انواع جک پروتکو مدل LEADER
راهنمای تصویری کامل نحوه نصب انواع جک پروتکو مدل LEADER
راهنمای تعمیرات مکانیکی و الکترونیکی انواع جک پروتکو مدل LEADER
راهنمای تعمیرات مکانیکی و الکترونیکی انواع جک پروتکو مدل LEADER
آموزش نصب پمپ پرایدی روی برلیانس
آموزش نصب پمپ پرایدی روی برلیانس
آموزش کامل نحوه کنترل و برنامه‌ریزی انواع جک پروتکو مدل LEADER
آموزش کامل نحوه کنترل و برنامه‌ریزی انواع جک پروتکو مدل LEADER
جک پروتکو مدل LEADER – نحوه انتخاب جک متناسب با وزن درب
جک پروتکو مدل LEADER – نحوه انتخاب جک متناسب با وزن درب
محدودیت دسترسی...برای اینکه بتوانید نظر خود را ثبت کنید، باید وارد سایت شوید.
ورود به سایت